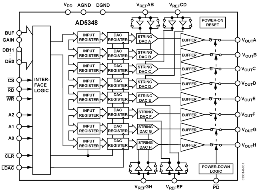
AD5347
2.5 V至5.5 V、并行接口、八通道电压输出、10位数模转换器
制造商:ADI/AD
产品信息
优势和特点
低功耗工作: 1.4 mA(最大值,3.6 V时)
掉电模式功耗:120 nA (3 V),400 nA (5 V)
通过设计对所有代码保证单调性
轨到轨输出范围: 0 V至 VREF 或0 V 至2 ×V REF
上电复位至0 V
通过LDAC引脚同时更新DAC输出
异步CLR设置
回读
缓冲/无缓冲基准电压输入
写入(WR)时间:20 ns
38引脚TSSOP/6 mm × 6 mm 40引脚LFCSP封装
温度范围: -40℃至+105℃
提示:欲了解更多信息以及申请样片,请联系DAC产品组;请注明您的姓名、公司名称、邮寄地址、电话/传真号码、电子邮件地址,并简要说明您的应用。

