AD22293Z
ADXL103/ADXL203是高精度,低功耗,完整单,双轴加速度计与信号调理电压输出,都在一个单片IC上。
制造商:
产品信息
特点
高性能,单/双轴加速度计上
单个IC芯片
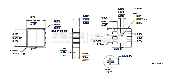
5毫米× 5毫米× 2毫米LCC封装
在60赫兹1毫克的分辨率
低功耗: 700 μA在V= 5 V (典型值)
高为零g偏置稳定性
高灵敏度精度
-40 ° C至+ 125 °C温度范围
在0.1 ° (典型值)对齐X轴和Y轴
与单个电容器带宽调整
单电源供电
3500g抗冲击能力
符合RoHS
兼容的Sn /有铅和无铅焊接工艺
通过汽车应用认证
电路图、引脚图和封装图
应用案例
英飞凌为汽车应用推出业内导通电阻最低的 80 V MOSFET OptiMOS™ 7
2024-04-16
2024年1-2月全球动力电池装机量89.5GWh
2024-04-16
广汽响应汽车“以旧换新”政策推多重优惠补贴
2024-04-16
奥比中光携手新加坡LionsBot,让智能清洁机器人落地超过30个国家
2024-04-16
公园高速公路景区校园IP网络广播音柱SIP音柱
2024-04-16
水电站生态下泄流量监测流量计量方法有哪些?
2024-04-16
汽车铝合金车轮“小巨人”创业板上市,宏鑫科技开盘涨超275%
2024-04-16
Bosch Sensortec携两款最新传感器解决方案中国首秀于Sensor Shenzhen
2024-04-16



