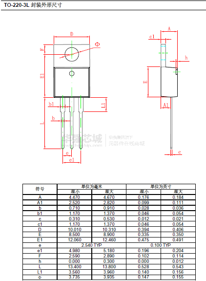
78M12线性稳压 制造商:中文资料及数据手册78M12中文资料.pdf78M12datasheet.pdf在线购买产品信息 直插三端稳压器,制造商是江苏长电特点: 最大输出电流 0.5A 输出电压 12 V 连续的总损耗 1.5W( T a= 25 ℃ )电路图、引脚图和封装图78M12电路图78M12引脚图78M12封装图应用案例本期推荐:M12圆形连接器2022-09-01本期推荐:M12圆形连接器2022-09-01本期推荐:M12圆形连接器2022-09-01本期推荐:M12圆形连接器2022-09-01本期推荐:M12圆形连接器2022-09-01M12总线分线盒2023-04-14本期推荐:M12圆形连接器2022-09-01本期推荐:M12圆形连接器2022-09-01