78M09
78系列9V普通线性稳压 TO-252-2
制造商:
产品信息
线性稳压器,制造商为江苏长电
特点:
最大输出电流 0.5A
输出电压 9 V
连续的总损耗 1.25W( T a= 25 ℃ )
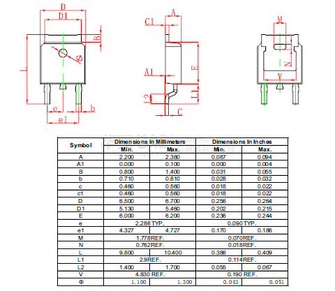
电路图、引脚图和封装图
应用案例
Rogers颁年度大奖,肯定世强09业绩
2010-01-29
基于RL78-FDL库实现RL78G13 Data Flash的读写操作
2023-10-27
AiP78L05/09/12/15三端正电源稳压器
2022-05-06
RL78/G23 Data flash使用教程
2022-09-09
AiP78L05/09/12/15三端正电源稳压器
2022-05-06
从R8C到RL78从上电复位(POR)和电压检测器的迁移指南
2021-06-21
国星光电高性价比Mini LED IMD-M09标准版即将面世
2020-11-23
国星光电推出高性价比国星 Mini LED IMD-M09 标准版
2020-11-23



