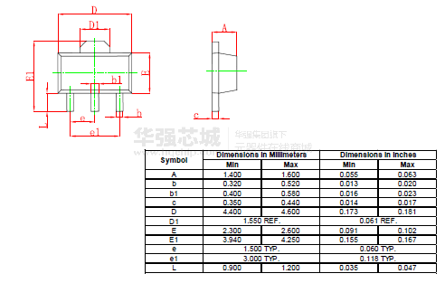
78L0978系列9V普通线性稳压 SOT-89 制造商:中文资料及数据手册78L09datasheet.pdf在线购买产品信息直插三端稳压器,制造商为江苏长电特点:最大输出电流 0.1A输出电压 9 V连续的总损耗 0.6W( T a= 25 ℃ )电路图、引脚图和封装图78L09电路图78L09引脚图78L09封装图应用案例UA78L系列正电压线性稳压器的技术解析与应用指南2025-08-19UA78L 100mA 30V 线性稳压器数据手册2025-03-1878L05线性稳压器IC的技术参数、特性及应用范围2023-08-03多联机线控器显示09是什么故障?2023-08-029-75VDC超宽输入范围非隔离电源模块—K78Uxx-1000R3(L)系列2023-06-11基于瑞萨RL78/L1A单片机的智能体脂秤方案2023-09-20RL78/G23 Data flash使用教程2022-09-09AiP78L05/09/12/15三端正电源稳压器2022-05-06