74LS00
四路2输入正与非门
制造商:
产品信息
描述
主要电特性的典型值如下:
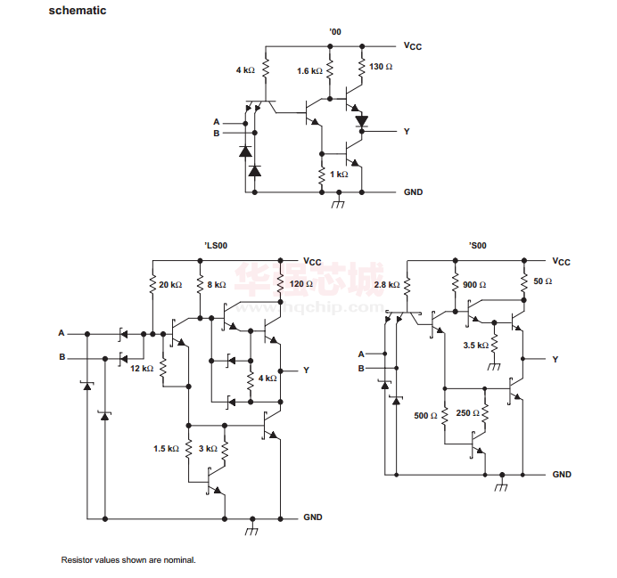
.png)
极限值
电源电压………………………………………….7V
输入电压
54/7400、54/74H00、54/74S00…………….5.5V
54/74LS00……………………………………7V
A-B 间电压
除 54/74LS00 外………………………………5.5V
优势特点
74LS00 从属于TTL门系列.它是一个内部含有四个双输入的与非门芯片.其14脚接+5v电压;7脚地;
当 AB都为高电平"1"时输出为高电平"0";当AB都为低电平"0"时输出为高电平"1";
当AB异同时:即,一个为低电平"0"一个为高电平"1"时输出为高电平"1"
74LS04 74LS04是6非门(反相器)他的工作电压5V,他的内部含有6个coms反相器,
74LS04的作用就是反相把1变成0,平时在使用中请注意不要芯片的管脚顺序搞错了
74LS08 74LS08为2输入四与门 它是一个内部含有四个双输入的与门芯片。
74LS20 两个4输入与非门,内含两组4与非门 第一组:1,2,4,5输入6输出。 第2组:9,10,12,13输入8输出 74LS32 74LS32是四-2输入或门 正逻辑 Y=A+B 7脚接地,14接电源。
规格参数
电气参数:




电路图、引脚图和封装图
在线购买
型号:SN74LS00N.
描述:-
型号:SN74LS00MR1
描述:-
型号:SN74LS00ML1
描述:-
型号:SN74LS00NS6
描述:-
型号:SN74LS00NS
描述:-
型号:SN74LS00N3
描述:-











