LT3042 电源纹波抑制 (PSRR) 低压差线性稳压器
Linear Technology 的 LT3042 是高性能、低压差、线性稳压器,采用 LTC 的超低噪声和超高 PSRR 架构,适合为噪声敏感型射频应用供电。 LT3042 设计用作后接高性能电压缓冲器的高精度电流基准,可以轻松地并联,进一步减少了噪声,提高了输出电流并分散了 PCB 上热量。 该器件在 350 mV 典型压差条件下提供 200 mA 电流。 静态工作电流标称值为 1 mA,关断条件下降至 1 μA 以下。 LT3042 的宽输出电压范围(0 V 至 15 V),同时保持单位增益操作,提供几乎恒定的输出噪声、PSRR、带宽和独立于编程输出电压的负载调节。 此外,该稳压器具有可编程电流限制、快速启动能力以及可编程电源良好引脚来指示输出电压调节。 LT3042 使用最小 4.7 μF 陶瓷输出电容器保持稳定。 内置保护功能包括反向电池保护、反向电流保护、带折返内部限流、以及滞后热关断。 LTC3042 采用热增强 10 引线 MSOP 和 3 mm × 3mm DFN 封装。
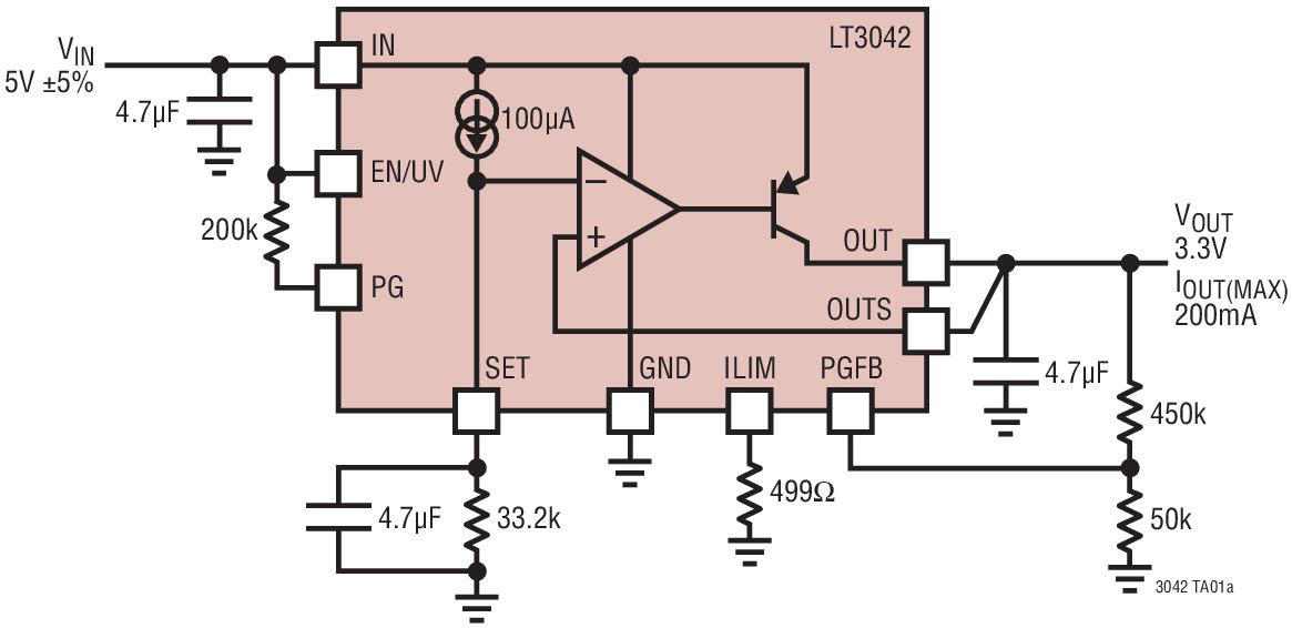
典型应用:


功能
超低点噪声:10 kHz 时 2 nV/√Hz
超高 PSRR:1 MHz 时 79 dB
输出电流:200 mA
宽输入电压范围:1.8 V 至 20 V
单个电容器提高了噪声和 PSRR
100 μA SET 引脚电流:±1% 初始精度
单电阻器编程设定输出电压
高带宽:1 MHz
可编程限流
低压差:350 mV
输出电压范围:0 V 至 15 V
可编程电源良好
快速启动功能
精密使能/UVLO
可并联实现更大电流和更低噪声
带折返内部限流
最小输出电容器:4.7 μF 陶瓷
反射电池和反向电流保护
10 引脚 MSOP 和 3 mm × 3 mm DFN 封装
应用
射频电源:PLL、VCO、混频器、LNA
较低噪声仪表
高速/高精度数据转换器
医疗应用:成像和诊断
精密电源
用于开关电源的后置稳压器
| 型号 | 描述 | 价格 | 操作 |
|---|---|---|---|
| LT3042EMSE#TRPBF | IC REG LIN POS ADJ 200MA 10MSOP | ¥28.14560 | 在线购买 |
| LT3042EMSE#PBF | IC REG LIN POS ADJ 200MA 10MSOP | ¥75.16800 | 在线购买 |
| LT3042IMSE#PBF | IC REG LIN POS ADJ 200MA 10MSOP | ¥39.63600 | 在线购买 |
| LT3042EDD#PBF | IC REG LIN POS ADJ 200MA 10DFN | ¥34.13350 | 在线购买 |
| LT3042IDD#PBF | IC REG LIN POS ADJ 200MA 10DFN | 在线购买 | |
| LT3042HDD#PBF | IC REG LIN POS ADJ 200MA 10DFN | ¥80.02800 | 在线购买 |